Suchbegriff
Einleitung
Wir über uns
Allgemeine Grundlagen
Einbaurichtlinien + Montageanleitungen
Werkstoffe für Zargen
Beschichtungen
Dichtungen
Bandunterkonstruktionen
Mauerwerkszargen
Norm-Profile
Eckzargen
Umfassungszargen
Schiebtürzargen
Mehrteilige Zargen
Oberlicht- Seitenteilzargen
Fensterzargen
Anker- Befestigungssysteme
Brandschutzfenster
Ständerwerk
Norm-Profile
Eckzargen
Umfassungszargen
Schiebetürzargen
Mehrteilige Zargen
Oberlicht- Seitenteilzargen
Fenster
Anker- Befestigungssysteme
Brandschutzfenster
Anhang
Schwellen
Obentürschliesser
Schlossbereich
E-Oeffner - Fluchttüroeffner
Magnetkontakte
Riegelschaltkontakte
Riegelschaltkontakt 878
Riegelschaltkontakt Link Typ 100 13 35C
Riegelschaltkontakt Link Typ 100 13 35C
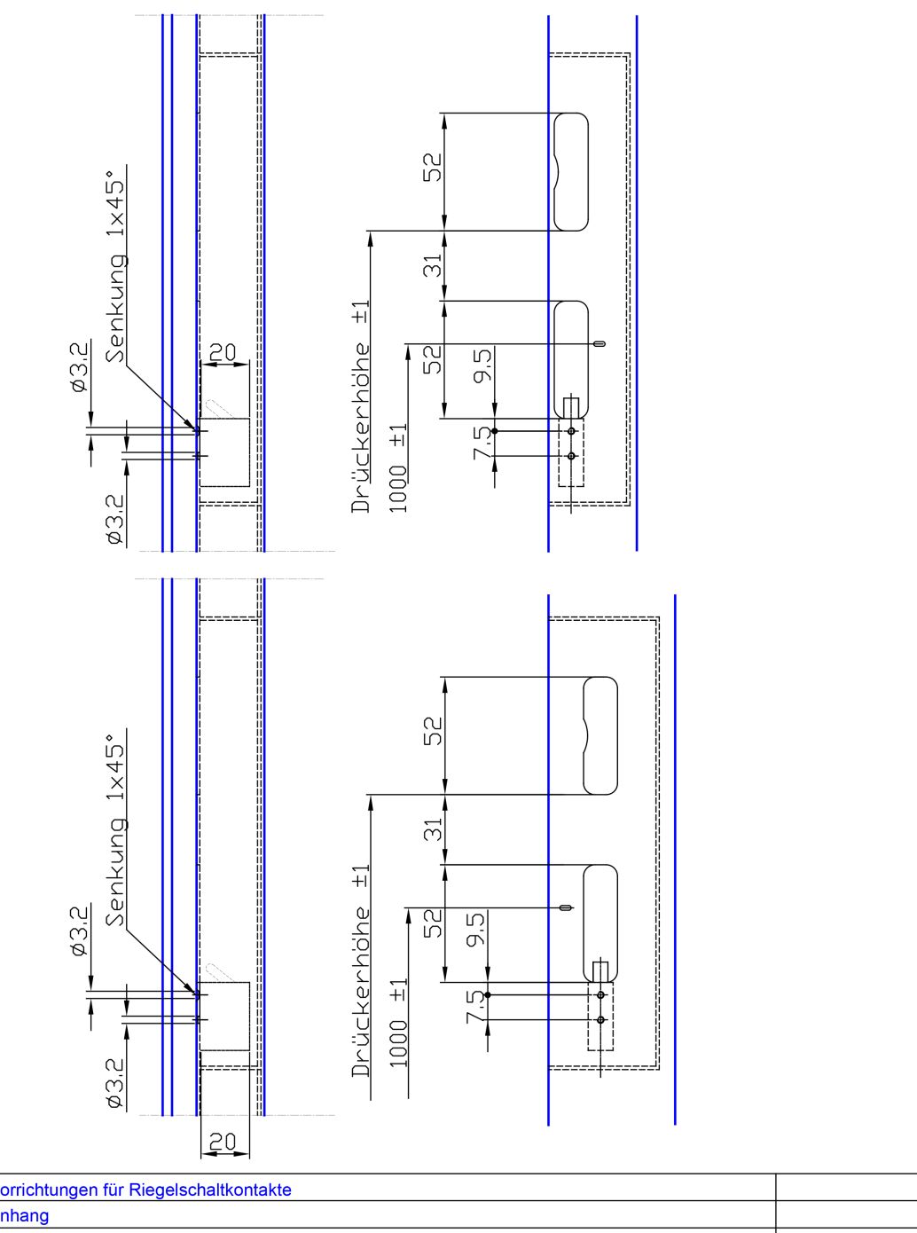
Riegelschaltkontakt Siemens S24244-G1078-A1
Riegelschaltkontakt NF Standard
Riegelschaltkontakt DORMA
Riegelschaltkontakt Lechner Typ 2a
Riegelschaltkontakt GU 6-38426
Kabelübergänge
Mehrfachverriegelungen
BSS - Sperrelemente - Türspaltsicherung
Kippfenster - Schiebefenster
Montagevideos
Mauerwerkszargen einteilig
Mauerwerkszargen zweiteilig
Ständerwerkszargen einteilig
Ständerwerkszargen zweiteilig
Bestellformulare
Startseite
Anhang
Riegelschaltkontakte
Riegelschaltkontakt Siemens S24244-G1078-A1
Schwellen
Obentürschliesser
Schlossbereich
E-Oeffner - Fluchttüroeffner
Magnetkontakte
Riegelschaltkontakte
Riegelschaltkontakt 878
Riegelschaltkontakt Link Typ 100 13 35C
Riegelschaltkontakt Link Typ 100 13 35C
Riegelschaltkontakt Siemens S24244-G1078-A1
Riegelschaltkontakt NF Standard
Riegelschaltkontakt DORMA
Riegelschaltkontakt Lechner Typ 2a
Riegelschaltkontakt GU 6-38426
Kabelübergänge
Mehrfachverriegelungen
BSS - Sperrelemente - Türspaltsicherung
Kippfenster - Schiebefenster
PDF Download
Copyright 2013-2024 Novoferm Vertriebs GmbH