Suchbegriff
Einleitung
Wir über uns
Allgemeine Grundlagen
Einbaurichtlinien + Montageanleitungen
Werkstoffe für Zargen
Beschichtungen
Dichtungen
Bandunterkonstruktionen
Bandunterkonstruktion V 8610
Bandunterkonstruktion V 8610
Bandsitz bei Norm- und Sonderhoehen V 8610
Bandunterkonstruktion V 8610
Bandunterkonstruktion V 8610 als Doppelbandtasche (VS)
Bandsitz bei Norm- und Sonderhoehen
Bandunterkonstruktion V 8618
Bandsitz bei Norm- und Sonderhoehen
Bandunterkonstruktion V 8618
Bandsitz bei Norm- und Sonderhoehen
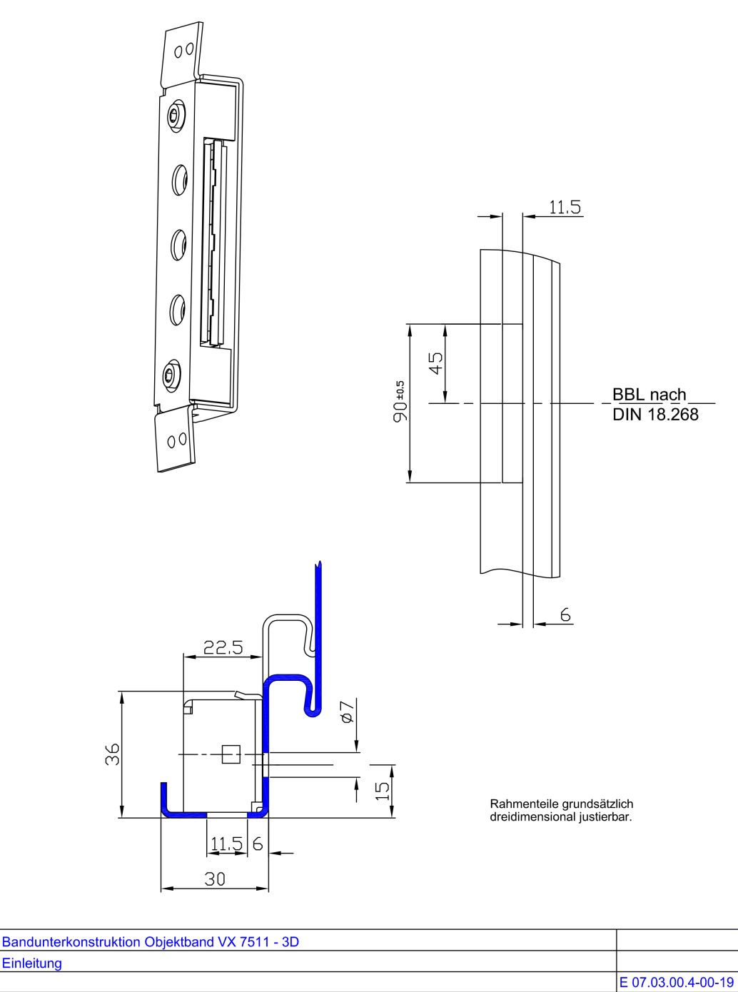
Bandunterkonstruktion VX 7511-3D
Bandunterkonstruktion VX 7511-3D
Bandsitz bei Norm- und Sonderhoehen VX 7511-3D
Bandunterkonstruktion VX 7511-3D
Bandunterkonstruktion VN 7608-3D klein
Bandunterkonstruktion VN 7608-3D klein
Bandsitz bei Norm- und Sonderhoehen VN 7608-3D klein
Bandunterkonstruktion VN 7608-3D klein
Bandunterkonstruktion VN 7608-3D gross
Bandunterkonstruktion VN 7608-3D gross
Bandsitz bei Norm- und Sonderhoehen VN 7608-3D gross
Bandunterkonstruktion VN 7608-3D gross
Bandanordnung TECTUS TE 340-3D
TECTUS Bandsystem TE 340-3D
Bandanordnung TECTUS TE 540-3D
TECTUS Bandsystem TE 540-3D
Bandanordnung Tectus TE 640-3D
TECTUS Bandsystem TE 640-3D
Bandanordnung fuer Anuba Bandsystem
Bandanordnung fuer PIVOTA DX 60 100
PIVOTA Bandsystem DX 60 100
Bandanordnung fuer PIVOTA DX 200
PIVOTA Bandsystem DX 200
Mauerwerkszargen
Norm-Profile
Eckzargen
Umfassungszargen
Schiebtürzargen
Mehrteilige Zargen
Oberlicht- Seitenteilzargen
Fensterzargen
Anker- Befestigungssysteme
Brandschutzfenster
Ständerwerk
Norm-Profile
Eckzargen
Umfassungszargen
Schiebetürzargen
Mehrteilige Zargen
Oberlicht- Seitenteilzargen
Fenster
Anker- Befestigungssysteme
Brandschutzfenster
Anhang
Schwellen
Obentürschliesser
Schlossbereich
E-Oeffner - Fluchttüroeffner
Magnetkontakte
Riegelschaltkontakte
Kabelübergänge
Mehrfachverriegelungen
BSS - Sperrelemente - Türspaltsicherung
Kippfenster - Schiebefenster
Montagevideos
Mauerwerkszargen einteilig
Mauerwerkszargen zweiteilig
Ständerwerkszargen einteilig
Ständerwerkszargen zweiteilig
Bestellformulare
Startseite
Einleitung
Bandunterkonstruktionen
Bandunterkonstruktion VX 7511-3D
Wir über uns
Allgemeine Grundlagen
Einbaurichtlinien + Montageanleitungen
Werkstoffe für Zargen
Beschichtungen
Dichtungen
Bandunterkonstruktionen
Bandunterkonstruktion V 8610
Bandunterkonstruktion V 8610
Bandsitz bei Norm- und Sonderhoehen V 8610
Bandunterkonstruktion V 8610
Bandunterkonstruktion V 8610 als Doppelbandtasche (VS)
Bandsitz bei Norm- und Sonderhoehen
Bandunterkonstruktion V 8618
Bandsitz bei Norm- und Sonderhoehen
Bandunterkonstruktion V 8618
Bandsitz bei Norm- und Sonderhoehen
Bandunterkonstruktion VX 7511-3D
Bandunterkonstruktion VX 7511-3D
Bandsitz bei Norm- und Sonderhoehen VX 7511-3D
Bandunterkonstruktion VX 7511-3D
Bandunterkonstruktion VN 7608-3D klein
Bandunterkonstruktion VN 7608-3D klein
Bandsitz bei Norm- und Sonderhoehen VN 7608-3D klein
Bandunterkonstruktion VN 7608-3D klein
Bandunterkonstruktion VN 7608-3D gross
Bandunterkonstruktion VN 7608-3D gross
Bandsitz bei Norm- und Sonderhoehen VN 7608-3D gross
Bandunterkonstruktion VN 7608-3D gross
Bandanordnung TECTUS TE 340-3D
TECTUS Bandsystem TE 340-3D
Bandanordnung TECTUS TE 540-3D
TECTUS Bandsystem TE 540-3D
Bandanordnung Tectus TE 640-3D
TECTUS Bandsystem TE 640-3D
Bandanordnung fuer Anuba Bandsystem
Bandanordnung fuer PIVOTA DX 60 100
PIVOTA Bandsystem DX 60 100
Bandanordnung fuer PIVOTA DX 200
PIVOTA Bandsystem DX 200
PDF Download
Copyright 2013-2024 Novoferm Vertriebs GmbH